Parlare di glutine oggi non è facile: per alcuni si tratta infatti di un veleno da evitare ad ogni costo, responsabile di ogni male. Molti tuttavia non sanno neppure di preciso che cosa sia il glutine e quale importante ruolo abbia nel rendere possibile la preparazione di tutti i prodotti da forno  che siamo abituati a vedere e gustare sulle nostre tavole.

Il glutine è un complesso formato dalle proteine presenti nella farina di alcuni cereali. In assenza di acqua queste proteine sono immobili ed inerti ma quando acqua viene aggiunta alla farina le proteine vanno ad interagire tra di loro, formando e rompendo di continuo legami le une con le altre . L’impasto che si forma ha caratteristiche particolari che ne permettono la lavorazione per ottenere una miriade di prodotti familiari sulle nostre tavole e lo sono stati per migliaia di anni in tutti gli angoli del mondo: pane, torte, dolci e diversi tipi di pasta.

La natura dell’impasto è dovuta alle interazione tra acqua, glutine e amido, i componenti che formano la massa principale che, a seconda delle proporzioni dei vari componenti, della lavorazione e dell’utilizzo di lieviti o altre sostanze come  olio o burro o zucchero, può assumere caratteristiche notevolmente diverse: dalla compattezza della pasta ai mille friabili strati della pasticceria più elaborata. In termini tecnici si parla di proprietà viscoelastiche dell’impasto, viscosità ed elasticità che determinano tecniche e possibilità di lavorazione della massa: impasti forti ed elastici sono necessari per la lavorazione del pane mentre torte e biscotti richiedono impasti più facilmente estensibili. È proprio il glutine quindi a permettere di trasformare una massa di farina inerte in una miriade di prodotti diversi.

I cinesi avevano scoperto come ottenere il glutine fin dal VI° secolo dopo Cristo e verso il 1000 era diventato ingrediente essenziale per la produzione di spaghetti con il nome di mien chin, muscolo di grano, quello che i giapponesi chiamano seitan. In Europa il primo a descrivere il glutine fu il gesuita Francesco Maria Grimaldi che nel 1665, in un libro pubblicato postumo, osservò che l’impasto di semola di grano conteneva una sostanza collosa che asciugandosi diveniva dura e friabile. Il nome con cui indicò la sostanza, gluten, in latino indicava proprio la colla. Fu soltanto nel 1745 che il chimico Giambattista Beccari studiò più a fondo la massa intuendo che  fosse formata da sostanze simili a quelli presenti in materiali di origine animale, quelle che pochi anni più tardi sarebbero state chiamate proteine.

Le proprietà del glutine, gliadina e glutenine

Con un poco di olio di gomito e tanta sapienza, grazie alle mirabolanti proprietà di gliadine e glutenine, note in arte come glutine,
si ottengono impasti morbidi ed elastici, pronti per produrre pane, dolci, biscotti e financo pasta!

I cereali che contengono glutine

Il glutine è presente nelle farine di questi cereali:

  • frumento o grano, sia duro, da cui si produce soprattutto pasta, che tenero, utilizzato nella produzione di pane e prodotti da forno;
  • grano khorasan, quello che in commercio si trova con il marchio registrato Kamut;
  • bulgur, grano duro germogliato e lavorato;
  • farro in tutte e tre le varietà, monococco, medio e grande o spelta;
  • orzo;
  • segale;
  • triticale, un cereale ottenuto dall’incrocio tra grano e  segale.
  • avena. Il glutine presente nell’avena è ben tollerato anche da individui celiaci e questo ne permette l’utilizzo nella loro dieta, facendo attenzione che non ci siano contaminazioni d parte di cereali contenenti glutine.

Non contengono invece glutine le farine ottenute da questi cereali:

  • riso;
  • mais, che in realtà può dare una massa di proteine ed amido con caratteristiche simili a quelle del glutine ma ben tollerata dai celiaci;
  • miglio;
  • sorgo;
  • teff.

Ovviamente non contengono glutine, pur essendo molto ricchi di proteine ed amido, gli pseudocereali:

  • quinoa;
  • amaranto;
  • grano saraceno.

Cosa è il glutine

Le proteine presenti nei cereali sono suddivise in quattro grandi gruppi in base alla loro diversa solubilità, classificazione oggi superata ma ancora ampiamente utilizzata.

  • Albumine, solubili in acqua;
  • Globuline, solubili in soluzini saline;
  • Prolamine, solubili in soluzione alcolica, comprendono le gliadine, le costituenti del glutine nei confronti delle quali si sviluppa l’intolleranza tipica della celiachia;
  • Gluteline, solubili in soluzioni acide o basiche, comprendono le gluteline, le altre componenti del glutine.

Prolamine  e gluteline sono essenzialmente proteine di deposito, un accumulo di materiale necessario allo sviluppo del seme in una matrice che circonda granuli di amido ed organelli. Rappresentano di gran lunga la frazione proteica più abbondante arrivando a costituire oltre l’85% delle proteine totali. Nel frumento la miscela di proteine può essere suddivisa in oltre 50 componenti individuali che possono variare notevolmente a seconda della varietà presa in esame.

Le gliadine, che nel frumento sono circa il 40% delle proteine totali, sono proteine monomeriche, cioè costituite da un’unica unità ripiegata su se stessa che lega debolmente altre unità. In base alle sequenze di aminoacidi sono classificate in α, γ, e ω.

Le gluteline sono invece proteine polimeriche, costituite da numerose catene legate tra di loro: si distinguono subunità a alto peso molecolare HMW e subunità a basso peso molecolare LMW. Nel seme le glutenine sono costituite da un asse centrale formato da subunità HMW da cui si ramificano subunità LMW. Si ritiene che sia proprio la natura, numero e composizione, delle subunità HMW a impartire alle farine le  loro proprietà reologiche, cioè quelle proprietà che riguardano i vari aspetti della lavorazione, in particolar modo elasticità e tenacità, essenziali per poter lavorare l’impasto e per impartire le caratteristiche forme.

Il valore nutrizionale di queste proteine è basso, mancano di lisina, aminoacido essenziale e le gliadine presentano catene con sequenze ripetitive ricche di glutamina, prolina e serina che sono responsabile delle reazioni avverse osservate in soggetti celiaci. Si stima che in Italia il consumo medio di queste proteine si attesti intorno ai 15-20 grammi giornalieri visto l’abbondante uso di prodotti derivati dal frumento: una dieta priva di glutine non comporta certo problemi carenziali, il valore biologico di queste proteine è basso, ma di sicuro comporta rinunce  e una pressione sociale e psicologica non indifferente nel paese della pasta e della pizza. [1, 2, 3, 4]

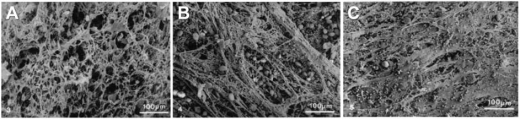
Formazione del glutine durante l'impasto

Lo sviluppo del glutine durante l’impasto, visto al microscopio elettronico.
Ragazzi, le meraviglie della Scienza!

Come funziona il glutine

Perché il glutine possa svilupparsi è necessario mescolare la farina con acqua, con una proporzione tipica di 3:1, e lavorare l’impasto fino alla formazione di una massa viscoelastica. Le gliadine e le glutenine vanno a formare il glutine assorbendo una quantità d’acqua pari al doppio del loro peso: la quantità complessiva di acqua da utilizzare è quindi funzione del contenuto proteico della farina.

Mescolare acqua e farina tuttavia non basta: il glutine si forma  soltanto lavorando  a fondo la miscela, per fornire l’energia necessaria alla creazione del reticolo proteico. Le glutenine, normalmente ripiegate, per azione dell’energia meccanica vanno ad allinearsi e distendersi, formando legami disolfuro alle estremità delle loro molecole: si formano catene lunghissime, veri e propri strati di proteine, mentre l’impasto viene stirato e lavorato. Una volta cessata l’azione diretta le catene tendono di nuovo a ripiegarsi riportando lentamente l’impasto alla forma originaria. Le glutenine sono responsabili della elasticità e della tenacità dell’impasto.
La plasticità è dovuta invece alle gliadine che si disperdono tra le catene di glutenine permettendo loro di scorrere le une sulle altre: il reticolo tridimensionale si può deformare, può essere manipolato e lavorato, distendendosi senza però rompersi man mano che si formano bolle di gas durante la lievitazione.
È importante che l’impasto non sia lavorato eccessivamente, cosa difficile da fare a mano ma che può avvenire facilmente in un’impastatrice meccanica: i legami tra le estremità delle glutenine potrebbero spezzarsi, lasciando una massa appiccicosa che ha perduto tutta la sua elasticità.
L’impasto ben lavorato deve essere lasciato rilassare. Le proteine ben allineate sono tenute in posizione da legami chimici molto deboli e mentre una parte di questi si rompe la massa dell’impasto si appiattisce, diventando più malleabile e più facilmente lavorabile.

Durante la cottura i gas liberati dalla fermentazione e il vapore formato dall’acqua distendono progressivamente il reticolo del glutine. La struttura finale del prodotto è fissata nel momento in cui il calore coagula le proteine e gelatinizza l’amido disperso nella massa.  Se il forno è aperto troppo spesso o la cottura è fermato troppo presto, prima che la struttura si fissi, il vapore può fuoriuscire dalla massa che collassa su stessa con ben miseri risultati.

Non tutti i prodotti da forno necessitano di un glutine forte ed elastico, necessario per produrre un buon pane ma poco adatto per preparare torte o biscotti che potrebbero indurirsi eccessivamente. L’astuzia e la fantasia del cuoco, unite a spirito di osservazione e, probabilmente, a migliaia di tentativi andati male, hanno permesso di mettere a punto numerose tecniche per controllare la formazione del glutine:

  • in primo luogo il tipo di farina utilizzata, il cui contenuto di proteine determina la forza del glutine: tanto maggiore quante più proteine sono presenti;
  • anche la quantità di acqua utilizzata è molto importante: con l’aggiunta di poca acqua il glutine si sviluppa parzialmente e l’impasto si sbriciola con facilità. Se si utilizza molta acqua il glutine sarà poco concentrato e si otterranno prodotti soffici;
  • l’aggiunta di sale, i cui ioni si dispongono attorno alle porzioni cariche delle proteine schermandole e impedendo che si sviluppino forze repulsive, permette di formare un reticolo più forte e più fitto;
  • l’aggiunta di zucchero, che limita lo sviluppo del glutine diluendo e interponendosi tra le catene proteiche;
  • l’utilizzo di grassi e di oli, che si legano alle porzioni idrofobiche delle catene proteiche, ne riducono le interazioni e rendono il glutine più debole;
  • l’utilizzo di pasta acida che aumenta le forze repulsive tra le catene ed indebolisce il glutine.

Se proprio siete curiosi e volete vedere il glutine da vicino vi basta preparare un poco di impasto con acqua e farina di frumento. Il glutine forma una struttura solida, insolubile in acqua ed è sufficiente lavare gentilmente l’impasto in acqua corrente fredda per allontanare le albumine, le globuline e l’amido. Rimane una massa elastica costituita da glutine in cui le proteine rappresentano il 75% circa del peso secco, mentre il restante 25% è costituito soprattutto da amido e lipidi.

Il glutine può essere essiccato e in questa forma viene spesso utilizzato per aumentare il contenuto proteico di farine, cereali, pane  e altri prodotti da forno. Il glutine è anche ampiamente utilizzato per produrre prodotti proteici per vegetariani e vegani, dal seitan alle bistecche. Il glutine può anche essere aggiunto a podotti a base di carne, come hamburger e insaccati, per migliorarne la consistenza e impedire che si sfaldino durante la cottura.

Visto così il glutine potrebbe sembrare un miracoloso dono della natura, e in gran parte lo è, ma purtroppo accanto a tante luci ci sono anche molte ombre. Celiachia e sensibilità al glutine non celiaca, ammesso quest’ultima esista, sembrano diffondersi sempre di più. Si tratta di condizioni problematiche che non vanno assolutamente sottovalutate, tuttavia una dieta senza glutine va seguita soltanto dopo diagnosi e risulta del tutto inutile in soggetti sani.